Inverseur pour moteur monophasé type 2 3kw
| Remises quantitatives sur toute la catégorie 3.3 Inverseur moteur |
✔ 5 produits et plus achetés 10% de réduction
☞ Vous souhaitez devenir distributeur de notre marque ?
✉ Contactez-nous pour plus de remises personnalisées
| Puissance kW | 3.kW |
| Déclinaisons | Puissance kW | Référence | Stock disponible maintenant | prix | Ajouter au panier |
|
Puissance kW :
3.kW
Référence : TEC_INVMM2
|
3.kW |
TEC_INVMM2 |
Bientôt disponible |
76,88 € HT |
|
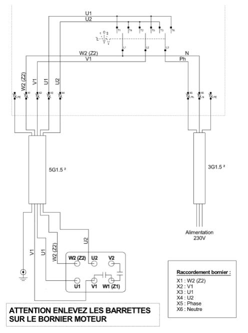
Inverseur pour moteur monophasé type 2 3 kW
Caractéristiques :
- Coffret électrique matière plastique (ABS) RAL 7035 (gris), IP 65
- Taille du coffret : H125 mm x L125mm x P100mm
- Tension d’alimentation : 230 V monophasé 50Hz
- Puissance maximum admissible : 3kW 20A
- 2 presse étoupes PG13 pour l’alimentation et la sortie moteur
Ce contacteur inverseur permet de changer le sens de rotation d'un moteur. En effet, la modification du couplage des condensateurs des moteurs monophasés (2 condensateurs) permet leur changement du sens de rotation.
| Référence | Puissance (kW) | Ampérage |
|---|---|---|
| TEC_INVMM2 | 3kW | 20A |
| Schéma TEC_INVMM2 | Schéma de câblage |
